Главная
/
Каталог продукции
/
Комплектующие для элеваторов
/
Ковши норийные
/
Полимерные (пластиковые)
/
Ковши норийные полимерные тип DM
/
Ковш норийный полимерный DM-3921
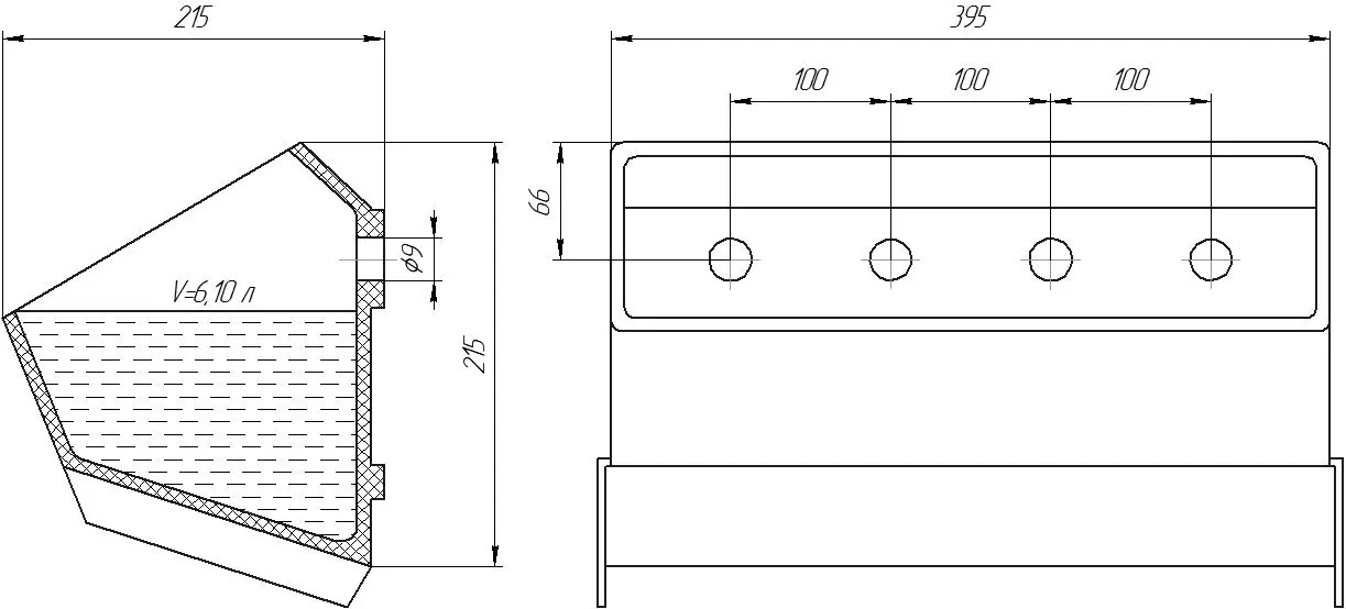
Ковш норийный полимерный DM-3921
Описание
Ковши норийные полимерные DM-3921 предназначены для бережно транспортировки сельскохозяйственной продукции на нориях, работающих на низких скоростях. Изготавливаются из высококачественных полимерных материалов (высокомолекулярный полиэтилен - HDPE, нейлон). По требованию предприятия-заказчика отверстия могут наноситься на ковш в соответствии с требуемыми размерами.

Основные технические характеристики
| Ширина, мм | 395 |
| Вылет, мм | 215 |
| Высота по задней стенке, мм | 215 |
| Количество отверстий, шт. | 4 |
| Межцентровое расстояние между отверстиями, мм | 100 |
| Диаметр отверстий, мм | 9 |
| Рабочий объем, л | 6,10 |
Для того, чтобы купить этот товар
Вам достаточно обратиться к нам по телефону +7 (343) 207-50-28
или заказать через электронную почту info@germes-prom.ru
Контакты
Свяжитесь с нами
