Пластинчатая нержавеющая цепь серии 512 802 GT/805 GT
Описание
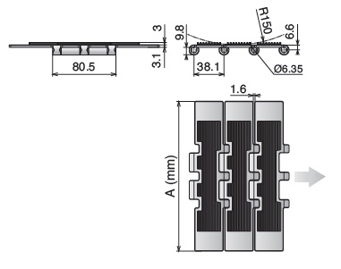
Пластинчатая прямоходная нержавеющая конвейерная цепь серии 802/805 GT изготавливается со специальными резиновыми накладками для исключения проскальзывания перемещаемых грузов, а также для наклонной транспортировки продукции.
Изготовленная из высококачественной нержавеющей стали, эта цепь отличается повышенной прочностью и износостойкостью, что обеспечивает длительный срок службы даже при интенсивной нагрузке и агрессивных средах.
Конструкция цепи серии 802/805 гарантирует стабильную работу и минимальные затраты на обслуживание, что делает её идеальным выбором для промышленных конвейерных систем, требующих надежности и долговечности.

Основные технические характеристики
SS (Нержавеющая сталь AISI 430)
| Марка | Ширина пластин (А), мм | Вес, кг/м | Максимальная нагрузка, Н | Толщина пластин, мм | Толщина резинового слоя, мм |
| SS 802 GT K750 | 190,5 | 6,20 | 7000 | 3,1 | 3,0 |
SSE (Нержавеющая сталь AISI 316) с закаленными штырями
| Марка | Ширина пластин (А), мм | Вес, кг/м | Максимальная нагрузка, Н | Толщина пластин, мм | Толщина резинового слоя, мм |
| SSE 805 GT K750 | 190,5 | 6,20 | 9000 | 3,1 | 3,0 |
Для того, чтобы купить этот товар
Вам достаточно обратиться к нам по телефону +7 (343) 207-50-28
или заказать через электронную почту info@germes-prom.ru
Контакты
Свяжитесь с нами
